Product Summary
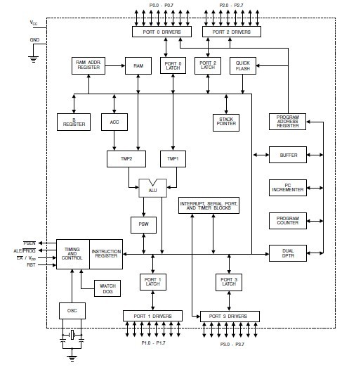
The AT89C55WD-24JI is a low-power, high-performance CMOS 8-bit microcontroller with 20K bytes of Flash programmable read only memory and 256 bytes of RAM. The device is manufactured using the high-density nonvolatile memory technology of Atmel and is compatible with the industry standard 80C51 and 80C52 instruction set and pinout. By combining a versatile 8-bit CPU with Flash on a monolithic chip, the AT89C55WD-24JI is a powerful microcomputer which provides a highly flexible and cost effective solution to many embedded control applications.
Parametrics
AT89C55WD-24JI absolute maximum ratings: (1)Operating Temperature: -55℃ to +125℃; (2)Storage Temperature: -65℃ to +150℃; (3)Voltage on Any Pin with Respect to Ground: -1.0V to +7.0V; (4)Maximum Operating Voltage: 6.6V; (5)DC Output Current: 15.0 mA.
Features
AT89C55WD-24JI features: (1)20K Bytes of Reprogrammable Flash Memory; (2)Endurance: 1000 Write/Erase Cycles; (3)4V to 5.5V Operating Range; (4)Fully Static Operation: 0 Hz to 33 MHz; (5)Three-level Program Memory Lock; (6)256 × 8-bit Internal RAM; (7)32 Programmable I/O Lines; (8)Three 16-bit Timer/Counters; (9)Eight Interrupt Sources; (10)Programmable Serial Channel; (11)Low-power Idle and Power-down Modes; (12)Interrupt Recovery from Power-down Mode; (13)Hardware Watchdog Timer; (14)Dual Data Pointer; (15)Power-off Flag.
Diagrams

| Image | Part No | Mfg | Description | ![]() |
Pricing (USD) |
Quantity | ||||||
|---|---|---|---|---|---|---|---|---|---|---|---|---|
![]() |
![]() AT89C55WD-24JI |
![]() Atmel |
![]() 8-bit Microcontrollers (MCU) 20K FLASH - 24MHZ IND TEMP |
![]() Data Sheet |
![]() Negotiable |
|
||||||
| Image | Part No | Mfg | Description | ![]() |
Pricing (USD) |
Quantity | ||||||
![]() |
![]() AT8934 |
![]() TE Connectivity |
![]() General Purpose / Industrial Relays SEALED R RELAY |
![]() Data Sheet |
![]()
|
|
||||||
![]() |
![]() AT8985P |
![]() Other |
![]() |
![]() Data Sheet |
![]() Negotiable |
|
||||||
![]() |
![]() AT8989UP |
![]() Other |
![]() |
![]() Data Sheet |
![]() Negotiable |
|
||||||
![]() |
![]() AT8992-A2-T-1 |
![]() |
![]() IC SWITCH PHY 64-TQFP |
![]() Data Sheet |
![]() Negotiable |
|
||||||
![]() |
![]() AT8992M-A2-T-1 |
![]() |
![]() IC SWITCH PHY 100-MQFP |
![]() Data Sheet |
![]() Negotiable |
|
||||||
![]() |
![]() AT8993-A2-T-1 |
![]() |
![]() IC SWITCH PHY 100-MQFP |
![]() Data Sheet |
![]() Negotiable |
|
||||||
(Hong Kong)










