Product Summary
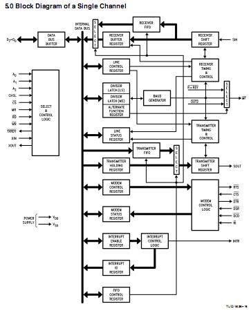
The PC16552DV is a dual version of the PC16550D Universal Asynchronous Receiver/Transmitter (UART). Each channel can operate with on-chip transmitter and receiver FIFOs (FIFO mode) to relieve the CPU of excessive software overhead. The PC16552DV includes one programmable baud rate generator for each channel. It has complete MODEM-control capability, and a processor-interrupt system. Interrupts can be programmed to the user’s requirements, minimizing the computing required to handle the communications link. The PC16552DV is fabricated using National Semiconductor’s advanced M2CMOSTM.
Parametrics
PC16552DV absolute maximum ratings: (1)Temperature under Bias:0℃ to 70℃; (2)Storage Temperature:-65℃ to +150℃; (3)All Input or Output Voltages with Respect to VSS:-0.5V to +7.0V; (4)Power Dissipation:1W.
Features
PC16552DV features: (1)Dual independent UARTs; (2)Capable of running all existing 16450 and PC16550D software; (3)After reset, all registers are identical to the 16450 register set; (4)Read and write cycle times of 84 ns; (5)In the FIFO mode transmitter and receiver are each buffered with 16-byte FIFOs to reduce the number of interrupts presented to the CPU; (6)Holding and shift registers in the 16450 Mode eliminate the need for precise synchronization between the CPU and serial data; (7)Adds or deletes standard asynchronous communication bits (start, stop, and parity) to or from the serial data; (8)Independently controlled transmit, receive, line status, and data set interrupts; (9)MODEM control functions (CTS, RTS, DSR, DTR, RI,and DCD); (10)False start bit detection; (11)Complete status reporting capabilities; (12)TRI-STATEé TTL drive for the data and control buses; (13)Line break generation and detection; (14)Internal diagnostic capabilities:Loopback controls for communications link fault isolation, Break, parity, overrun, framing error simulation; (15)Full prioritized interrupt system controls.
Diagrams

| Image | Part No | Mfg | Description | ![]() |
Pricing (USD) |
Quantity | ||||||||||||||
|---|---|---|---|---|---|---|---|---|---|---|---|---|---|---|---|---|---|---|---|---|
![]() |
![]() PC16552DV |
![]() National Semiconductor (TI) |
![]() UART Interface IC |
![]() Data Sheet |
![]()
|
|
||||||||||||||
![]() |
![]() PC16552DV/NOPB |
![]() National Semiconductor (TI) |
![]() UART Interface IC DUAL UNIV ASYNCHRON RCVR/TRANS W/ FIFO |
![]() Data Sheet |
![]()
|
|
||||||||||||||
![]() |
![]() PC16552DVX/NOPB |
![]() National Semiconductor (TI) |
![]() UART Interface IC DUAL UNIV ASYNCHRON RCVR/TRANS W/ FIFO |
![]() Data Sheet |
![]()
|
|
||||||||||||||
![]() |
![]() PC16552DVX |
![]() National Semiconductor (TI) |
![]() UART Interface IC |
![]() Data Sheet |
![]()
|
|
||||||||||||||
(Hong Kong)










