Product Summary
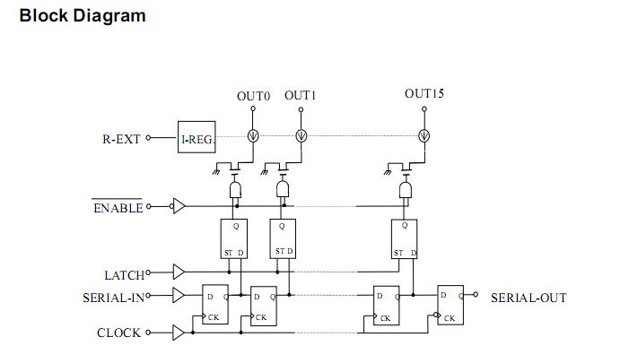
The ST2221C-2C is a 16-Bit Constant Current LED Driver. It is specifically designed for LED and LED DISPLAY constant current drivers. The value of constant current can be varied using an external resistor (Iout = 5 to 120mA). The ST2221C-2 includes a 16-bit shift registers, latches, and constant current drivers on a single Silicon CMOS chip.
Parametrics
ST2221C-2 absolute maximum ratings: (1)Supply Voltage:0 to 7.0V ; (2)Input Voltage:-0.4 to VDD+0.4V ; (3)Output Current:120mA ; (4)Output Voltage:-0.5 to 9.5V ; (5)Clock Frequency:25MHz ; (6)GND Terminal Current:1920mA ; (7)Power Dissipation: 2.87W(DIP-24: Ta=25℃), 1.45W (SOP-24: Ta=25℃), 1.27W (SSOP-24: Ta=25℃) ; (8)Thermal Resistance:40.0℃/W (DIP-24), 79.2℃/W (SOP-24), 90.2℃/W (SSOP-24); (9)Storage Temperature:-55℃ to 150℃.
Features
ST2221C-2 features: (1)Constant Current Output: Current with one resistor for 5mA to 120mA ; (2)Maximum Clock Frequency: 25MHz (Cascade Operation) ; (3)5V CMOS Compatible Input ; (4)Package : DIP24 , SOP24, SSOP24 ; (5)Constant Current Matching: (Ta = 25℃, VDD = 5.0V) Bit-to-Bit: ± 6.0%, Chip-to-Chip : ± 10.0%, @ IOUT = 5mA to 40mA, Bit-to-Bit: ± 6.0%, Chip-to-Chip : ± 10.0%, @ IOUT = 40mA to 120mA.
Diagrams

![]() |
![]() ST220-50T2KI |
![]() Vishay/Tansitor |
![]() Tantalum Capacitors - Wet ST220-50T2KI |
![]() Data Sheet |
![]()
|
|
||||||||||||
![]() |
![]() ST2225A-SS3 |
![]() Other |
![]() |
![]() Data Sheet |
![]() Negotiable |
|
||||||||||||
![]() |
![]() ST223C04CFL0 |
![]() |
![]() SCR PHASE CONT 400V 390A A-PUK |
![]() Data Sheet |
![]()
|
|
||||||||||||
![]() |
![]() ST223C04CFN0 |
![]() |
![]() SCR PHASE CONT 400V 390A A-PUK |
![]() Data Sheet |
![]()
|
|
||||||||||||
![]() |
![]() ST223C08CFL0 |
![]() |
![]() SCR PHASE CONT 800V 390A A-PUK |
![]() Data Sheet |
![]()
|
|
||||||||||||
![]() |
![]() ST223C08CFN0 |
![]() |
![]() SCR PHASE CONT 800V 390A A-PUK |
![]() Data Sheet |
![]()
|
|
||||||||||||
(Hong Kong)









