Product Summary
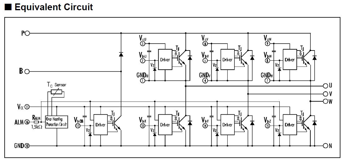
The 7MBP150KA060 is an Intelligent Power Module.
Parametrics
7MBP150KA060 absolute maximum ratings: (1)DC Bus Voltage, VDC: 0 to 450V; (2)DC Bus Voltage (surge), VDC(Surge): 0 to 500V; (3)DC Bus Voltage (short operating), VSC: 200 to 400V; (4)Collector-Emitter Voltage, VCES: 0 to 600V; (5)inverter collector current, continuous, IC: 150A; 1ms, ICP: 300A; duty=58.8%, -IC: 150A; (6)Collector Power Dissipation One Transistor, PC: 595 W; (7)Dynamic Brake collector current, Continuous, IC: 50A; 1ms, ICP: 100A; (8)Forward Current of Diode, IF: 50A; (9)Collector Power Dissi. DB, PC: 198 W; (10)Voltage of Power Supply for Driver, VCC: 0 to 20V; (11)Input Signal Voltage, VIN: 0 to VZ; (12)Input Signal Current, IIN: 1 mA; (13)Alarm Signal Voltage, VALM: 0 to VCC V; (14)Alarm Signal Current, IALM: 15 mA; (15)Junction Temperature, Tj: 150℃; (16)Operating Temperature, TOP: -20 to 100℃; (17)Storage Temperature, Tstg: -40 to 125℃; (18)Isolation Voltage A.C. 1min, Viso: 2500 V.
Features
7MBP150KA060 features: (1)Collector Current At Off Signal Input, ICES: 1.0mA when VCE=600V, Input Terminal Open; (2)Collector-Emitter Saturation Voltage, VCE(Sat): 2.8V when IC=150A; (3)Forward Voltage of FWD, VF: 3.0V when -IC=150A; (4)Collector Current At Off Signal Input, ICES: 1.0mA when VCE=600V, Input Terminal Open; (5)Collector-Emitter Saturation Voltage, VCE(Sat): 2.8V when IC=50A ; (6)Forward Voltage of FWD, VF: 3.3V when -IC=50A.
Diagrams

![]() |
![]() 7MBP100RA060 |
![]() Other |
![]() |
![]() Data Sheet |
![]() Negotiable |
|
||||
![]() |
![]() 7MBP100RTB060 |
![]() Other |
![]() |
![]() Data Sheet |
![]() Negotiable |
|
||||
![]() |
![]() 7MBP100TEA060 |
![]() Other |
![]() |
![]() Data Sheet |
![]() Negotiable |
|
||||
![]() |
![]() 7MBP150RA060 |
![]() Other |
![]() |
![]() Data Sheet |
![]() Negotiable |
|
||||
![]() |
![]() 7MBP150RTB060 |
![]() Other |
![]() |
![]() Data Sheet |
![]() Negotiable |
|
||||
![]() |
![]() 7MBP25RA120 |
![]() Other |
![]() |
![]() Data Sheet |
![]() Negotiable |
|
||||
(Hong Kong)








