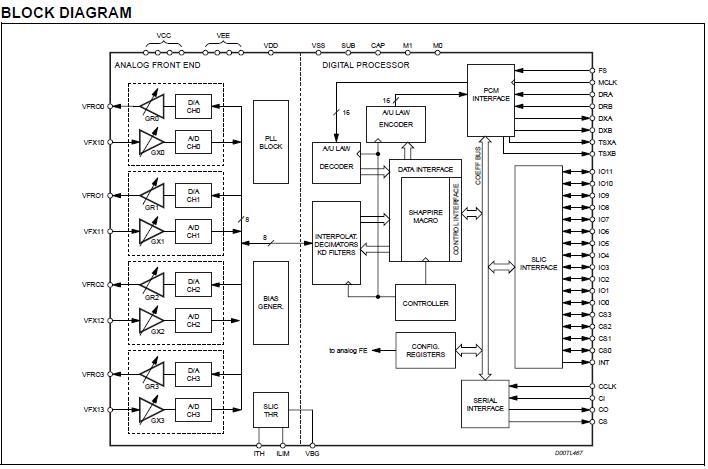
Product Summary
The STLC5048 is a monolithic fully programmable 4 channel CODEC and filter. The STLC5048 operates with a single +3.3V supply. The analog interface is based on a receive output buffer driving the SLIC RX input and on an amplifier input stage normally driven by the SLIC TX output. Due to the single supply voltage a midsupply reference level is generated internally by the device and all analog signals are referred to this level (AGND). The STLC5048 PCM interface uses one common 8KHz frame sync. pulse for transmit and receive direction. The bit clock is automatically detected between four standards: 1.563/1.544MHz, 2.048MHz, 4.096MHz, 8192MHz. The STLC5048 can be programmed via serial interface running up to 8 MHz. One interrupt output pin is also provided.
Parametrics
STLC5048 absolute maximum ratings: (1)VCC, VCC to VEE: 4.6 V; (2)VDD, VDD to VSS: 4.6 V; (3)VDIN, Digital Input Pin Voltage: 5.5 V; (4)VAin, Analog Input Pin Voltage(VDD=VCC; VEE=VSUB): VCC+0.5; VEE-0.5V; (5)TSTG, Storage Temperature Range: -65 to +150℃; (6)TLEAD, Lead Temperature (soldering, 10s): 300℃.
Features
STLC5048 features: (1)fully programmable monolithic 4 channel codec/filter; (2)single +3.3V supply; (3)A/m law programmable; (4)linear coding (16 bits) option; (5)PCM highway format automatically detected:1.536 or 1.544MHz2.048, 4.096, 8192 MHz; (6)two PCM ports available; (7)TX gain programming: 33dB range: <0.01dB step; (8)RX gain programming:42db range: <0.01dB step; (9)programmable slic input impedance; (10)programmable transhybrid balance filter; (11)programmable equalization (frequency response); (12)programmable time slot assignment; (13)digital and analog loopbacks; (14)slic control portstatic (16 i/os) dynamic (12 i/os + 4 cs); (15)built-in test mode with tone generation, mcu access to pcm data; (16)64 TQFP (10X10mm) package; (17)programmable slic line current limitation; (18)programmable slic off-hook detection threshold.
Diagrams

| Image | Part No | Mfg | Description | ![]() |
Pricing (USD) |
Quantity | ||||
|---|---|---|---|---|---|---|---|---|---|---|
![]() |
![]() STLC5048 |
![]() STMicroelectronics |
![]() Audio CODECs Prog 4-Ch CODEC/Filt |
![]() Data Sheet |
![]() Negotiable |
|
||||
![]() |
![]() STLC5048TR |
![]() STMicroelectronics |
![]() Audio CODECs Prog 4-Ch CODEC/Filt |
![]() Data Sheet |
![]() Negotiable |
|
||||
(Hong Kong)









