Product Summary
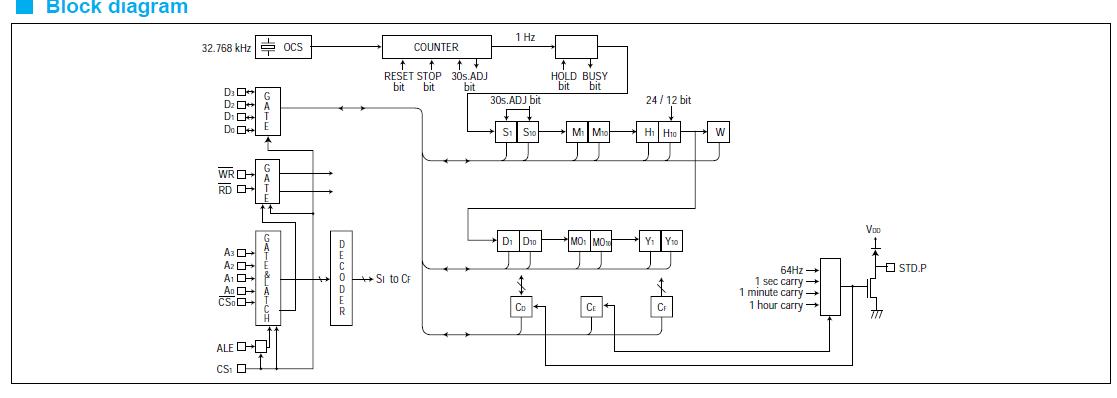
The RTC62423A is a 4-bit real time clock module.
Parametrics
RTC62423A absolute maximum ratings: (1)Power source voltage, VDD: -0.3 to 7V when Ta=25℃; (2)Input and output voltage, VI/O: -0.3 to VDD+0.3V when Ta=25℃; (3)Storage temperature, Tstg: -55 to 125℃; (4)Soldering condition, Tsol: twice at under 260℃ within 10 sec or under 230℃ within 3 min.
Features
RTC62423A features: (1)Builtin crystal unit allows adjustment-free efficient operation; (2)Low standby voltage and current consumption (1.8μA at 2V); (3)Wide range of operating temperature (from -40 to +85℃); (4)24H/12H changeable and leap year automatically adjustable (gregorian calendar); (5)Similar mounting method (RTC-62423) to that used for universal type SMD IC; (6)Pins and functions are compatible with the MSM6242 series.
Diagrams

![]() |
![]() RTC64613A |
![]() Other |
![]() |
![]() Data Sheet |
![]() Negotiable |
|
||||
![]() |
![]() RTC6721 |
![]() Other |
![]() |
![]() Data Sheet |
![]() Negotiable |
|
||||
![]() |
![]() RTC6711 |
![]() Other |
![]() |
![]() Data Sheet |
![]() Negotiable |
|
||||
![]() |
![]() RTC6701 |
![]() Other |
![]() |
![]() Data Sheet |
![]() Negotiable |
|
||||
(Hong Kong)








