Product Summary
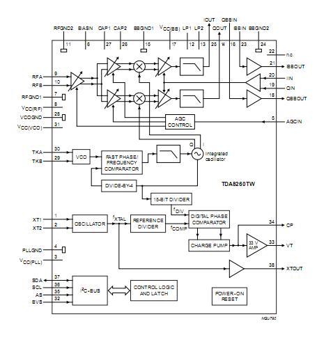
The TDA8260TW is a direct conversion QPSK demodulator. It is the front-end receiver dedicated to digital TV broadcasting, satisfying both DVB and DBS TV standards. The wide range oscillator (from 950 to 2175 MHz) covers the American, European and Asian satellite bands, as well as the SMA-TV US standard. The TDA8260TW has four selectable I2C-bus addresses. The selection is done by applying a specific voltage to pin AS. This feature gives the possibility to use up to four TDA8260TW ICs in the same system. The applications of the TDA8260TW are Direct Broadcasting Satellite (DBS) QPSK demodulation, Digital Video Broadcasting (DVB) QPSK demodulation, BS digital 8PSK demodulation.
Parametrics
TDA8260TW absolute maximum ratings: (1)supply voltage:-0.3V to +6.0V; (2)maximum input or output voltage on all pins except SDA, SCL and VT:-0.3V to VCC+0.3V; (3)data input or data output voltage:-0.3V to +6.0V; (4)clock input voltage:-0.3V to +6.0V; (5)tuning voltage output:-0.3V to +35V; (6)ambient temperature:-20℃ to +85℃; (7)IC storage temperature:-40℃ to +150℃; (8)maximum junction temperature:150℃; (9)maximum short-circuit time; each pin; short-circuit to VCC or GND:10 s.
Features
TDA8260TW features: (1)Direct conversion Quadrature Phase Shift Keying (QPSK) and 8-Phase Shift Keying (8PSK) demodulation (Zero-IF); (2)Frequency range: 950 to 2175 MHz; (3)High level asymmetrical RF input; (4)0 to 50 dB variable gain with AGC control; (5)Loop-controlled 0 to 90° phase shifter; (6)High AGC linearity (<1 dB per bit with an 8-bit DAC), AGC voltage variable between 0 and 3 V; (7)Integrated 5th-order matched baseband filters for in-phase (I) and quadrature (Q) signal paths; (8)Controlled I-to-Q gain balance; (9)I2C-bus controlled PLL frequency synthesizer; (10)Low phase noise; (11)Operation from a 4 MHz crystal (allowing the use of an SMD crystal); (12)Five frequency steps from 125 kHz to 2 MHz; (13)Crystal frequency output to drive the demodulator IC; (14)Compatible with 5, 3.3 and 2.5 V I2C-bus; (15)Fully compatible and easy to interface with Philips Semiconductors family of digital satellite demodulators; (16)+5 V DC supply voltage; (17)38-pin high heat dissipation package.
Diagrams

| Image | Part No | Mfg | Description | ![]() |
Pricing (USD) |
Quantity | ||||
|---|---|---|---|---|---|---|---|---|---|---|
![]() |
![]() TDA8260TW |
![]() Other |
![]() |
![]() Data Sheet |
![]() Negotiable |
|
||||
| Image | Part No | Mfg | Description | ![]() |
Pricing (USD) |
Quantity | ||||
![]() |
![]() TDA8000 |
![]() Other |
![]() |
![]() Data Sheet |
![]() Negotiable |
|
||||
![]() |
![]() TDA8000T |
![]() Other |
![]() |
![]() Data Sheet |
![]() Negotiable |
|
||||
![]() |
![]() TDA8001 |
![]() Other |
![]() |
![]() Data Sheet |
![]() Negotiable |
|
||||
![]() |
![]() TDA8002 |
![]() Other |
![]() |
![]() Data Sheet |
![]() Negotiable |
|
||||
![]() |
![]() TDA8002C |
![]() Other |
![]() |
![]() Data Sheet |
![]() Negotiable |
|
||||
![]() |
![]() TDA8002C/CD |
![]() NXP Semiconductors |
![]() I/O Controller Interface IC SMRT CRD INTERFCE IC |
![]() Data Sheet |
![]() Negotiable |
|
||||
(Hong Kong)









