Product Summary
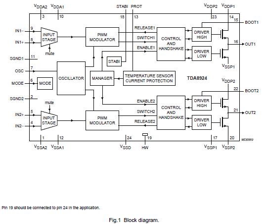
The TDA8924TH is a high efficiency class-D audio power amplifier with very low dissipation. The typical output power is 2 × 120 W. The TDA8924TH comes in a HSOP24 power package with a small internal heatsink. Depending on supply voltage and load conditions a very small or even no external heatsink is required. The amplifier operates over a wide supply voltage range from ±12.5 V to ±30 V and consumes a very low quiescent current. The applications of the TDA8924TH include Television sets, Home-sound sets, Multimedia systems, All mains fed audio systems and Car audio (boosters).
Parametrics
TDA8924TH absolute maximum ratings: (1)VP, supply voltage: ±30 V max; (2)VMODE, input voltage on pin MODE with respect to SGND:- 5.5 V max; (3)Vsc, short-circuit voltage on output pins: ±30 V max; (4)IORM, repetitive peak current in output pin: 11.3 A max; (5)Tstg, storage temperature: -55 +150℃; (6)Tamb, ambient temperature: -40 +85℃; (7)Tvj, virtual junction temperature: - 150℃ max.
Features
TDA8924TH features: (1)High efficiency (~90 %); (2)Operating voltage from ±12.5 V to ±30 V; (3)Very low quiescent current; (4)Low distortion; (5)Usable as a stereo Single-Ended (SE) amplifier or as a mono amplifier in Bridge-Tied Load (BTL); (6)Fixed gain of 28 dB in SE and 34 dB in BTL; (7)High output power; (8)Good ripple rejection; (9)Internal switching frequency can be overruled by an external clock; (10)No switch-on or switch-off plop noise; (11)Short-circuit proof across the load and to the supply lines; (12)Electrostatic discharge protection; (13)Thermally protected.
Diagrams

| Image | Part No | Mfg | Description | ![]() |
Pricing (USD) |
Quantity | ||||
|---|---|---|---|---|---|---|---|---|---|---|
![]() |
![]() TDA8924TH/N2,118 |
![]() |
![]() IC AMP AUDIO PWR 240W D 24HSOP |
![]() Data Sheet |
![]() Negotiable |
|
||||
| Image | Part No | Mfg | Description | ![]() |
Pricing (USD) |
Quantity | ||||
![]() |
![]() TDA8000 |
![]() Other |
![]() |
![]() Data Sheet |
![]() Negotiable |
|
||||
![]() |
![]() TDA8000T |
![]() Other |
![]() |
![]() Data Sheet |
![]() Negotiable |
|
||||
![]() |
![]() TDA8001 |
![]() Other |
![]() |
![]() Data Sheet |
![]() Negotiable |
|
||||
![]() |
![]() TDA8002 |
![]() Other |
![]() |
![]() Data Sheet |
![]() Negotiable |
|
||||
![]() |
![]() TDA8002C |
![]() Other |
![]() |
![]() Data Sheet |
![]() Negotiable |
|
||||
![]() |
![]() TDA8002C/CD |
![]() NXP Semiconductors |
![]() I/O Controller Interface IC SMRT CRD INTERFCE IC |
![]() Data Sheet |
![]() Negotiable |
|
||||
(Hong Kong)










