Product Summary
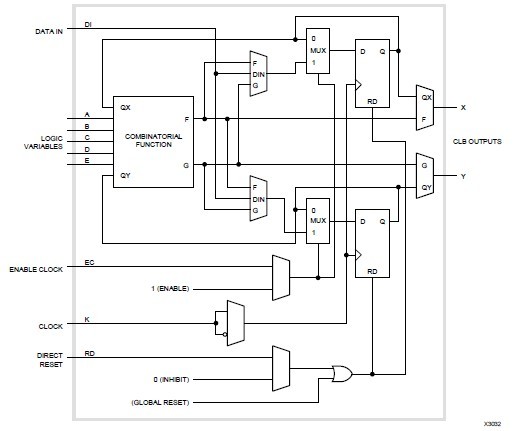
The XC3020-70PC84C provides a group of high-performance, high-density, digital integrated circuits. Its regular, extendable, flexible, user-programmable array architecture is composed of a configuration program store plus three types of configurable elements: a perimeter of I/O Blocks (IOBs), a core array of Configurable Logic Bocks (CLBs) and resources for interconnection. The XC3020-70PC84C is used for interactive design optimization, and to compile the data pattern that represents the configuration program.
Parametrics
XC3020-70PC84C absolute maximum ratings: (1)VCC Supply voltage relative to GND: –0.5 to +7.0 V; (2)VIN Input voltage with respect to GND: –0.5 to VCC +0.5 V; (3)VTS Voltage applied to 3-state output: –0.5 to VCC +0.5 V; (4)TSTG Storage temperature (ambient): –65 to +150 ℃; (5)TSOL Maximum soldering temperature (10 s @ 1/16 in.): +260 ℃; (6)TJ Junction temperature plastic: +125 ℃; Junction temperature ceramic: +150 ℃.
Features
XC3020-70PC84C features: (1)Ideal for a wide range of custom VLSI design tasks: Replaces TTL, MSI, and other PLD logic; Integrates complete sub-systems into a single package; Avoids the NRE, time delay, and risk of conventional masked gate arrays; (2)High-performance CMOS static memory technology: Guaranteed toggle rates of 70 to 325 MHz, logic delays from 9 to 2.2 ns; System clock speeds over 80 MHz; Low quiescent and active power consumption; (3)Unlimited reprogrammability: Easy design iteration; In-system logic changes.
Diagrams

![]() |
![]() XC3000 |
![]() Other |
![]() |
![]() Data Sheet |
![]() Negotiable |
|
||||
![]() |
![]() XC3000A |
![]() Other |
![]() |
![]() Data Sheet |
![]() Negotiable |
|
||||
![]() |
![]() XC3000L |
![]() Other |
![]() |
![]() Data Sheet |
![]() Negotiable |
|
||||
![]() |
![]() XC3020A-7PC84C |
![]() |
![]() IC LOGIC CL ARRAY 2000GAT 84PLCC |
![]() Data Sheet |
![]() Negotiable |
|
||||
![]() |
![]() XC3030-100PC44C |
![]() |
![]() IC LOGIC CL ARRAY 3000GAT 44PLCC |
![]() Data Sheet |
![]() Negotiable |
|
||||
![]() |
![]() XC3030-100PC68C |
![]() |
![]() IC LOGIC CL ARRAY 3000GAT 68PLCC |
![]() Data Sheet |
![]() Negotiable |
|
||||
(Hong Kong)









