Product Summary
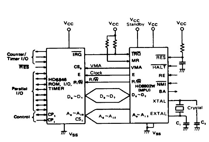
The HD6802WP is the enhanced version of HD6802 which contains MPU, clock and 256bytes to increase the capacity of system read/write memory for handling temporary data and manipulating the stack.
Parametrics
HD6802WP absolute maximum ratings: (1)Supply Voltage, VCC: -0.3 to 7.0V; (2)Input Voltage, Vin: -0.3 to 7.0V; (3)Operating Temperature, Topr: -20 to 75℃; (4)storage temperature: -55 to 150℃.
Features
HD6802WP features: (1)On chip clock circuit; (2)256*8 Bit on chip RAM; (3)32 Bytes of RAM are retainable; (4)Expandable to 65k words; (5)Standard TTL-Compatible Inputs and Outputs; (6)8 Bit word size; (7)16Bit Memory Addresing; (8)Interrupt Capability.
Diagrams

![]() |
![]() HD68A44 |
![]() Other |
![]() |
![]() Data Sheet |
![]() Negotiable |
|
||||
![]() |
![]() HD68P01M0-1 |
![]() Other |
![]() |
![]() Data Sheet |
![]() Negotiable |
|
||||
![]() |
![]() HD6840 |
![]() Other |
![]() |
![]() Data Sheet |
![]() Negotiable |
|
||||
![]() |
![]() HD6805W1 |
![]() Other |
![]() |
![]() Data Sheet |
![]() Negotiable |
|
||||
![]() |
![]() HD6805V1 |
![]() Other |
![]() |
![]() Data Sheet |
![]() Negotiable |
|
||||
![]() |
![]() HD6805T2 |
![]() Other |
![]() |
![]() Data Sheet |
![]() Negotiable |
|
||||
(Hong Kong)








